图多能看懂,字多没废话;调侃在当中,表格在最后!
结论和简表放最前
在统计了截止2024年5月比亚迪旗下各个品牌在售车型后,先把个人总结的结论放在最前:一共有四款DM系统,分别是第五代DM、DM-i、DM-p和DMO。

个人统计和推演结果,仅供参考
这里要特别提一下仰望,其采用的是一套增程式的动力总成,官方并为给这套总成划分或定义一个动力总成的序列,而是将其归纳在易四方平台中。

易四方平台展示区实拍图
而我也比较认同这样的做法,从仰望U8的产品来看,『四驱动电机+超大电池』的增程式设计,显然更倾向于纯电的平台逻辑,故此,暂不将其写入混动系统的专栏中。那么,接下来就进入正文。
第五代DM:更纯电
此前我已经写过关于第五代DM的解读,不展开过多的赘述,而是聊聊与之前DM-i的区别。

网传1:双行星排,仅供参考

网传2:两组行星齿轮机构,仅供参考
首先,在第五代DM发布前,网上流传着不少关于EHS新构型的说法,其中不乏有两套带有行星齿轮机构的专利图。说实话,我当时也稍稍研究了一下,并将两张专利图的图解做了出来,就等着官宣后,冲一波前瞻解读,谁能想到原来是一波『烟雾弹』~~

图片源自懂车帝拆解视频,仅供参考
从目前媒体的拆解结果来看,搭载在秦L DM-i(图为120KM版本)上的这套第五代DM与此前的DM-i,除了齿比有所调整,小零件更换外,几乎没有大的变化。个人认为,这也非常能理解,对于一套已经被市场所认可的混动系统,无论从技术成熟度考虑,还是制造的成本出发,比亚迪的选择合情合理,况且还是在疯狂内卷的今天。

此前小伙伴海豹06 DM-i续航实测的阶段数据实拍
其次,回答一下同行和粉丝们问我问的最多的问题:『第五代DM是如何仅靠调整和优化,而进一步做到了油耗降低?』,鄙人的答案是『谜底写在了谜面儿上』:
更为高效集成的硬件:从官方的数据来看,混动专用发动机实现了最高46.06%的热效率;EHS电混系统功率密度提升70.28%,综合工况效率达92%;插混专用刀片电池能量密度提升15.9%;整个插混动力域控高度集成(七合一),功率密度提升18.3%;整车热管理架构能耗最高节省10%(这点其实很重要),在低温下最高节省8%等。
更为成熟稳定的软件标定:发动机启停控制策略优化,降低单次启停油耗;多维热管理方案与智能化控制技术的运用,降低整车在极限温度环境下的能耗;智能调度整车热源,达到平衡状态,进一步降低能耗等。

双环流电池直冷直热技术示意图
其实,在第五代DM上,我看到了很多e平台3.0上的技术,比如电池的直冷系统和自脉冲加热,再有能量管理智控系统将驱动总成、空调热泵系统等。所以,个人认为,第五代DM是一套带高效混动发动机的『电混系统』。正是因为全面转向纯电化的设计、开发逻辑,以及比亚迪纯电平台技术的应用,才使得油耗得到了进一步降低。这或许才是正真的答案。

秦L DM-i发动机舱实拍,图片源自网络
从动力总成的搭配参数来看,混动发动机目前只有一款,即热效率可达46.06%的1.5L自吸,而在驱动电机上(P3电机)则有高低两种配置,分别是120kW/210N·m和160kW/260N·m。高功电机一般用于中高配、大电池版本的车型上,如果对动力有要求的朋友,在选购时要注意一下参数表。

秦L DM-i示意图,图片源自网络
显然,秦L DM-i和海豹06 DM-i上的这套第五代DM,只是开端,因为1.5T(亦或还有2.0T)的新混动发动机还没来,而第二代的刀片电池也是『犹抱琵琶半遮面』,估计要到明年,我们就可以来解读第五代DM的『全家桶』了。不过,大家不要划走,因为第四代的『全家桶』已经全了,所以,接下来我们就来看熟悉的DM-i,聊有趣的DM-p。
DM-i和DM-p:更融合
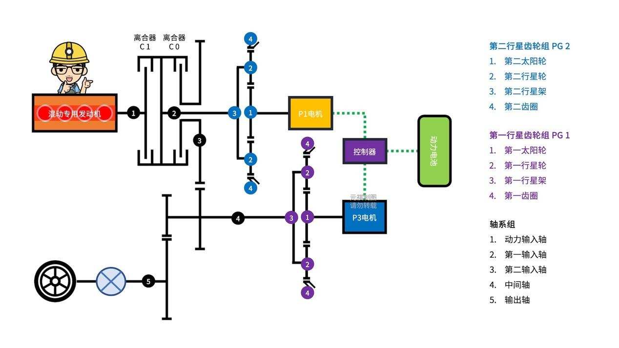
DM-i,嗯……在此前专栏中已经写了很多,结构图也常被同行和咨询公司所引用,放在2024年的今天来评价,应该就两个字『成熟』。

比亚迪DM-i结构示意图,仅供参考
以至于第五代DM上,依旧沿用着P13的基本架构,P1电机通过一根轴与混动发动机关联,P3电机接近车轮。目前不少车企选用的P1电机与混动发动机端同轴的设计逻辑不同,P1电机纯发电的定位更加明确,这也明确了混动发动机的两个基本工况:
串联发电:低速时,混动发动机就安静地发电,驱动是P3电机的事儿;
直驱巡航:达到巡航速度后,转速和扭矩需求都安排明白了,混动发动机,你,直接驱动就行。
这种标定逻辑也被延续到了第五代DM上,换言之,比亚迪在标定上,一直是『轻油驱,重电驱』。

个人统计及推演结果,仅供参考
从动力配置来看,『全家桶』主要由两套混动发动机加三套驱动电机混搭组合。混动发动机上就有自吸款和涡轮增压两款,排量皆为1.5L,形成高低搭配。而驱动电机则有132kW/316N·m、145kW/325N·m以及170kW/340N·m三款,后两款用于搭配1.5T混动发动机。根据上面的表格,不难得出结论:车身越大越重,动力总成给的越大。搭配逻辑可谓是『简单而合理』。(感觉自己是在说废话)

现款DM-p模型实拍图
而有趣的是DM-p,在此前专栏中,我曾写过DM-p是第三代DM的升级,仍属于P34架构,发动机后带双离合变速箱,而发电主要靠置于发动机前端的P0电机(比亚迪的BSG功率可达25kW),而从2023年我在比亚迪总部参观时,却发现DM-p已悄然发生了变化。

DM-i与DM-p模型对比示意图,仅供参考
从组件上来看,DM-p有两个特点:
前桥架构调整:似乎已经采用了与DM-i一样的P13架构,而1.5T混动发动机方案,在进气、点火等系统上与DM-i 1.5L的方案,有着肉眼可见的设计区别;
后桥完整版电驱:配有一款新的P4电机(比如2024款唐DM-p上的P4电机,峰值参数为200kW/360N·m),并调整了油箱、电控的位置,在实现后驱纯电驱动的同时,也可兼顾后备箱的空间。

2021款唐DM-i,图片源自网络
还记得三年前,我朋友在买2021款唐DM-i时,我还信誓旦旦地告诉他:『DM-i是不可能有四驱版本的,DM-i就是前置前驱的混动系统』。可万万没想到,一年多后,腾势D9 DM-i 四驱版车型就给了我半击耳光。之所以是『半击耳光』,请大家听我解释(狡辩)……

腾势D9 DM-i示意图,图片源自网络
<狡辩开始>我们从动力参数配置上就会发现,腾势D9 DM-i 四驱版的后桥电机功率仅为45kW,让这个小电机来驱动,显然不太可能,其使用的工况应该只有两种:巡航助力、四驱控制。但此后DM-p融入了DM-i的前桥体系,并对后桥的布局进行了调整和组件的升级,进行了这样的调整后,DM-p才实现了油耗和动力的平衡。所以说,当时写的和说的只是当年的技术,没错。错在,没能与时俱进,拖更太久,蓦然回首,已在灯火阑珊处……</狡辩结束>

第四代DM模型实拍图,仅供参考
简单地说,无论是DM-i,还是默默融合而变革的DM-p,都属于第四代DM,也是比亚迪给到消费者的一个代号,方便大家记忆。当然啦,像我这样矫情的技术直男,还会在『深扒代号背后的技术原理』这条道上越走越远,后续也会扒一扒其他混动总成(或者说混动品牌)的小秘密。如果喜欢,动动手,三连一波哦~
最后总结一下,DM-i四驱更接近与DM-i,后桥的小电机,显然是针对腾势D9的具体车型需求而生,而现在的DM-p更像是完整版的DM-i四驱,前、后桥的动力都不错,更重要的是使得第四代DM兼顾了油耗。不过要问历代DM中,动力哪家强,纵置四驱DMO。
DMO:更平台
应该说DMO的诞生,源自于方程豹的品牌和产品定位而生——要越野,要有产品个性,同时也是比亚迪尝试在混动领域,特别是平台架构上的一次突破尝试。所以我们看到,DMO并不像一套简单的混动系统,而是基于越野定位的一个混动平台。

DMO结构示意图,仅供参考
个人认为要快速理解这个平台,大家只要抓住『一条主线,四个特点』就行:
一条主线——要带大梁。亦或是秉承着『不带大梁的越野车,不能成为硬派越野』的理念,DMO采用了非承载车身设计,这应该是DMO与其他DM最核心的区别,同时也是整个平台的基本逻辑主线,由此推导出的平台设计,也就顺利成章了。
四个特点——非承载式车身、带云辇的底盘、纵置混动总成、三把电子锁。
非承载式车身:之所以再写一遍,是因为DMO作为混动的越野平台与燃油车有着一定的区别,比如说电池的布置,DMO选择了CTC电池设计,将刀片电池构成的电池包与大梁相结合,在增加空间利用率的同时,也能提升扭转刚度。更有趣的是,动力电池正好也是一个『配重块』,这点也是燃油时代所没有的特点;

云辇-P模型实拍图
带云辇的底盘:为了体现越野,底盘和悬挂也必须做出改变,DMO采用前后双叉臂独立悬挂的设计,从实物模型可以看出,前桥留给动力总成的位置并不大,我们下一点来聊。而后桥则是利用了电机体积较小的优势,可以让左右悬挂安全独立,相比传统越野车硬轴式后桥,双叉臂拥有了更长的行程。更重要的是DMO配上了当时刚发布不久的云辇-P智能液压车身控制系统,实属一大亮点;

DMO平台模型实拍图,图片源自网络
纵置混动总成:在车身和底盘设计十分明确的情况下,混动总成的布置也就明确了。大梁留给前桥动力总成的布置空间不大,故此,纵置成为必然。目前的豹5车型上采用的1.5T高功混动发动机(143kW/273N·m),不与DM-i和DM-p通用,功率更大,配合前后的驱动电机,使得豹5的综合动力参数达到了505kW/760N·m;
三把电子锁:摒弃了燃油车复杂的传动轴和分动箱以及机械差速锁,在以电为主的比亚迪这里,肯定是通过电机来实现,采用的是前后电子差速锁和能量中锁三把电子锁的解决方案。优点是电机拥有更精准的控制、更敏捷的响应。缺点是比较考验标定能力,以及感知及控制组件的使用寿命通常短于机械。不过,随着汽车电气化的深入,留给『机械之美』的时间,真的不多了。

方程豹旗下车型豹5示意图
目前大家在路上可以看到搭载DMO的车型,主要是方程豹品牌下的豹5,不过DMO所带来的可能性很大。因为既然带了大梁,那么皮卡车型肯定是可以有的,那么改一改成房车应该也是汽车『驴友们』的基操……相信大家的想象力比我丰富,鄙人就不嫌丑了~~
总结与展望
综上所述,2024年将是第四代DM为主流,第五代DM加速装车的一年。第四代DM无论在技术成熟度,还是市场认可度,都已经得到了验证。个人觉得只要价格到位了,车型又符合自身需求,那选购搭载第四代DM的车型很合理。而且随着新款的高功的混动发动机、第二代刀片电池等新产品、新技术的到来,第五代DM的产品矩阵会更加丰富,2024年底至2025年,或将是爆发期,后续可期。

方程豹产品矩阵示意图,仅供参考
而DMO作为比亚迪旗下的越野专属混动平台,还有很多可探索发现的技术亮点,玩法也更为丰富,待我有时间来仔细研究和体会。此外,介于方程豹个性化的品牌定位,豹8、豹3、SUPER 9等新车型,各个看点十足,有兴趣的朋友记得长期关注,若是手痒了那就去线下试驾一下,讲不定就是你的菜呢?
最后,附上我做的比亚迪混动系统与部分车型的对应表,花了不少时间,供大家参考,同时求一个三连,不过分吧~~
最后的最后,若您对文章观点有不同的看法,以您为准。那么~~我们下一期再见~~科科~~
附件



PS:
数据源自汽车之家、懂车帝以及官方公开资料,仅供参考;
馈/亏电油耗标准为WLTC,咋们不黑不吹,后续的系列文章,皆以此为准;
本文中自制的图表,请各位同行、粉丝、咨询公司等广大小伙伴,合规转载。另外,这次水印打得比较狠,抱歉抱歉~~