9.98万起售、百公里亏电油耗2.9L、满油满电综合续航2100公里,比亚迪真没想给竞品留余地!

5月28日,比亚迪第五代DM技术发布暨秦L DM-i、海豹06 DM-i发布会在西安举行。第五代DM技术实现发动机热效率46.06%、百公里亏电油耗2.9L和综合续航2100公里。

新车型分为纯电续航里程80KM和120KM两个版本,售价9.98万至13.98万元,两大车型从设计、技术、平台、品智四大维度,在2024年的中级轿车市场,又投下了一颗重磅炸弹。
技术的致敬:让竞品更心慌

第五代DM技术延续了『快、省、静、顺、绿』的优势,再度刷新了插混技术的『天花板』。官方数据显示,得益于第五代DM技术平台发动机最高热效率46.06%,使得新车型的百公里NEDC亏电油耗仅2.9L、满油满电综合续航2100公里。

而官方数据显然有些『虚标』,不如让我们看看实实在在跑出的结果:
王朝网总经理路天亲测秦L DM-i的百公里亏电油耗为2.43L;
在媒体对秦L DM-i油耗实测中,甚至出现了惊人的『1』字头油耗成绩;
而我们自己小伙伴在海豹06 DM-i测试中,跑出的百公里亏电油耗表现为2.2L(见上图),最后通过加油量计算实则为1.94L(详见实测视频)。

而在续航方面,媒体实测数据也相当惊人,满油满电综合续航最长达到了2547公里,是普通燃油车里程的3倍。而且测试条件极为严苛,三条路线同时开测,空调全程24度,其中西安到哈密这条路线,从低海拔往高海拔开,一路翻过秦岭等几大山脉,中间经历连续大上坡,爬升最大海拔差有2100米,最终实测成绩所有车辆均超过2300公里。
看来,无论是亏电油耗,还是综合续航,这次比亚迪把『反向虚标』的人设是立住了。

故此,在发布会上王朝网总经理路天自信地表示,用户完全可以『放心踩,随便开,人人都是黄金右脚!』。而究其背后则是第五代DM技术以电为主的动力架构、全温域整车热管理架构、智电融合电子电气架构赋予强大的技术基底:
以电为主的动力架构,插混专用高效发动机实现了全球最高46.06%的热效率,EHS电混系统通过极致的结构设计,功率密度提升70.28%,并大幅减少能量流动路径的损耗,综合工况效率达92%。插混专用刀片电池,能量密度提升15.9%,保障『心脏』充分『供血』。三大核心部件的全面进化,为第五代DM技术塑造了强大的筋骨;
全温域整车热管理架构,第五代热管理架构上升到与动力架构相同的重要等级,从原来的各系统独立,提升到了整体架构的高度。它由前机舱热管理、电池热管理、座舱热管理组成,协同作战,确保能耗最低。这一架构让车辆在高温环境下,能耗最高节省10%,在低温下最高节省8%;
智电融合电子电气架构,集成行业首个插混动力域控七合一,实现了功能复用,功率密度提升18.3%。行业首创芯片集成,实现VCU(电压控制单元)和双MCU(电机控制单元)三脑合一,芯片算力提升146%,充分提升整车的集成度和性能。
如果对这部分技术有兴趣的朋友,可以参考此前我对「璇玑架构」和「e平台3.0 Evo」的详细介绍,本文仅针对本次新车型的重点进行归纳。

此外,在发布会上,比亚迪回顾了从全球第一辆量产插电混动汽车比亚迪F3DM,到第四代DM技术研发的心路历程,同时用第五代DM技术致敬了长久以来在混动行业做出杰出的外资/合资前辈……
然则,我觉得这份致敬,或多或少让竞品更为心慌。
市场的余地:留下的不多
由于我手上对海豹06 DM-i的最新数据有限,接下来以秦L DM-i为例,看看这次重磅的998车系的亮点。
首先,当然是谈安全,在主动安全方面,秦L DM-i全系配备DiPilot智能驾驶辅助系统,包括ACC自适应巡航、ICC智能领航、LDW车道偏离预警、LDP车道偏离抑制等功能,配合4探头后倒车雷达、3D全景透明影像。而被动安全方面,秦L DM-i除了配备多达6个的常规安全气囊外,还增加了同级少有的前排远端侧安全气囊,一旦车辆遭遇侧面碰撞或侧翻,『防护罩』会迅速弹出,有效减少乘员之间、乘员与内饰件之间的直接碰撞或接触。

其次是设计,秦L DM-i整车设计采用比亚迪王朝一以贯之的『新国潮』理念,个人认为整车较前一代有一定的提升,后续有机会我们也会进行更多的报道。此外,秦L DM-i共有冰珀青、建窑紫、润玉白、茶晶灰四种外观颜色,设计灵感均来自历史上的著名瓷器。

此外,秦L DM-i采用低能耗设计,低风阻匹配全新技术,这也是实现更低油耗的一大秘诀。插混专属车身结构提升车辆安全性的同时,使得4830mm的车身,拥有了2790mm的轴距,而且后排地板纯平。新平台对整车性能也进行了优化,前麦弗逊式后多连杆悬架,显然是在兼顾舒适性和操控性。

最后,在配置方面,特别是智能化上,秦L DM-i亦是可圈可点。搭载了DiLink智能座舱,集15.6英寸自适应旋转悬浮Pad、车载ETC、手机NFC车钥匙、全场景智能语音等配置于一身;100%兼容手机生态,百万应用随心下载;全系标配手机NFC车钥匙,兼容各种主流手机品牌,还支持一键共享,可以将钥匙远程授权给亲友。其实在「e平台3.0 Evo」的解析中,我已经提过,比亚迪已成为目前手机NFC车钥匙行业的标准制定者。

综合来看,秦L DM-i填补了秦PLUS和汉之间的矩阵空白,在产品力上正猛烈敲击20万级合资B级车型,同时9.98万起的价格也在疯狂内卷A+级合资燃油车型。
简单来说,留给合资燃油车和老牌HEV车型的空间是越来越小。
选择、迷茫与坚持

整场发布会让我最为动容的还是王传福对于DM技术的回顾环节。从第一代DM技术上车,定下了『做混动就做插电混』的决定,到2015年累计销量突破5万辆,一切看起来都好像要走上了正轨;然而当搭载第三代DM的车型,终于突破了年销7万余辆的2019年后,2020年直接出现了断崖式的销量下跌。
『内部有质疑,我也很焦虑。』王传福坦言。
至此,我忽然就想到干技术的人最怕的一句话:迷茫自己的选择,转而投向其他技术路线。好在,王传福的焦虑未曾使其迷茫,他选择了坚持。

于是,比亚迪从上游原材料到中游重要零部件及整车制造,再到下游基础设施、汽车服务和后市场,基本实现了新能源汽车产业链全覆盖;
于是,比亚迪第四代DM技术(DM-i)横空出世,2023年的年销量达到143万辆,DM车型累计销量来到360万辆;
于是,1400亿的累计投入,10万工程师的齐心协力,终于将混动汽车的百公里亏电油耗干到了3L内,综合续航干上了2100km;
于是……
人生的过程,或许就是一个螺旋式上升的过程;对于技术仿佛也一样,选择,迷茫,坚持选择,再遇迷茫,依就坚持……循环不止,直到世界的尽头……
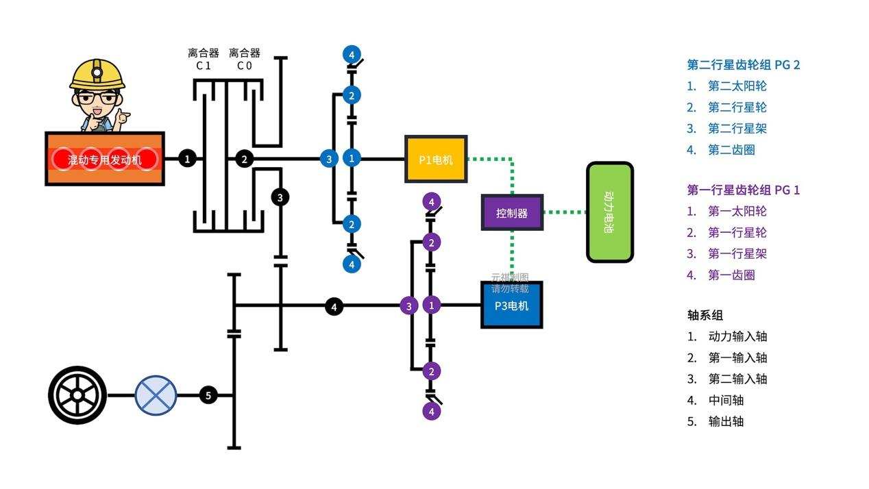
PS:想必大家都知道,比亚迪的专利有很多,混动专利更是不少,放两张结构图,如果大家有兴趣,一定要关注哦~~

